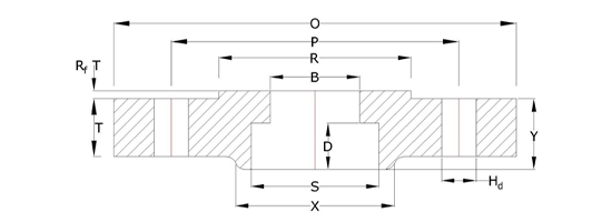
JPSPL offers Lap joint pipe flanges in all available material, size and dimensions. Lap Joint flanges slide over the pipe and are utilized with stub end fittings. It is allowed to turn around the stub end and it ensures you that there will not be any issues with bolt hole alignment. It is used in the applications that need frequent dismantling.
ANSI/ASME B16.5 Lap Joint Flanges with the stub end used in piping systems where bolting pressure is transmitted to the gasket by the pressure of the flange against the back of the pipe. These includes in various materials such as stainless steel & high nickel alloy available in number of classes like 150LB, 300LB, 400LB, 600LB, 900LB, 1500LB according to the customer specification.
| CONST | ITEM | SIZE | SCH/THK | MATERIAL |
|---|---|---|---|---|
| FORGED | SORF | 1/2" TO 24" | 150# TO 1500# | STAINLESS STEEL / CU-NI / DUPLEX / SUPER DUPLEX / HIGH NICKEL ALLOY |
| FORGED | BLRF | 1/2" TO 24" | 150# TO 1500# | STAINLESS STEEL / CU-NI / DUPLEX / SUPER DUPLEX / HIGH NICKEL ALLOY |
| FORGED | SWRF | 1/2" TO 24" | 150# TO 1500# | STAINLESS STEEL / CU-NI / DUPLEX / SUPER DUPLEX / HIGH NICKEL ALLOY |
| FORGED | WNRF | 1/2" TO 24" | 150# TO 1500# | STAINLESS STEEL / CU-NI / DUPLEX / SUPER DUPLEX / HIGH NICKEL ALLOY |
![]() |
||||||||||
| DIMENSION OF CLASS 150 FLANGE AS PER ASME B16.5 - Ed 2020 | ||||||||||
| Nominal pipe Size | Flange dia | PCD | Dia of bolt holes | No of holes | Dia of hub | Corner radius for Lapped Flange | ||||
| MM | INCH | O | P | Hd | Hn | T Lapped Flange | X | L/J Y |
L/J S |
r |
| 15 | 1/2" | 89.0 | 60.5 | 15.88 | 4 | 11.2 | 30 | 16 | 22.9 | 3 |
| 20 | 3/4" | 99.0 | 69.9 | 15.88 | 4 | 12.7 | 38 | 16 | 28.2 | 3 |
| 25 | 1" | 108.0 | 79.2 | 15.88 | 4 | 14.2 | 49 | 18 | 35.1 | 3 |
| 32 | 1 1/4" | 117.0 | 88.9 | 15.88 | 4 | 15.7 | 59 | 21 | 43.7 | 5 |
| 40 | 1 1/2" | 127.0 | 98.6 | 15.88 | 4 | 17.5 | 65 | 22 | 50 | 6 |
| 50 | 2" | 152.0 | 120.6 | 19.05 | 4 | 19 | 78 | 25 | 62.5 | 8 |
| 65 | 2 1/2" | 178.0 | 139.7 | 19.05 | 4 | 22.4 | 90 | 28 | 75.4 | 8 |
| 80 | 3" | 190.0 | 152.4 | 19.05 | 4 | 23.9 | 108 | 30 | 91.4 | 10 |
| 90 | 3 1/2" | 216.0 | 177.8 | 19.05 | 8 | 23.9 | 122 | 32 | 104.1 | 10 |
| 100 | 4" | 229.0 | 190.5 | 19.05 | 8 | 23.9 | 135 | 33 | 116.8 | 11 |
| 125 | 5" | 254.0 | 215.9 | 22.23 | 8 | 23.9 | 164 | 37 | 144.5 | 11 |
| 150 | 6" | 279.0 | 241.3 | 22.23 | 8 | 25.4 | 192 | 40 | 171.4 | 13 |
| 200 | 8" | 343.0 | 298.4 | 22.23 | 8 | 28.4 | 246 | 44 | 222.2 | 13 |
| 250 | 10" | 406.0 | 362 | 25.4 | 12 | 30.2 | 305 | 49 | 277.4 | 13 |
| 300 | 12" | 483.0 | 431.8 | 25.4 | 12 | 31.8 | 365 | 56 | 328.2 | 13 |
| 350 | 14" | 553.0 | 476.2 | 28.58 | 12 | 35.1 | 400 | 79 | 360.2 | 13 |
| 400 | 16" | 597.0 | 539.8 | 28.58 | 16 | 36.6 | 457 | 87 | 411.2 | 13 |
| 450 | 18" | 635.0 | 577.8 | 31.75 | 16 | 39.6 | 505 | 97 | 462.3 | 13 |
| 500 | 20" | 698.0 | 635 | 31.75 | 20 | 42.9 | 559 | 103 | 514.4 | 13 |
| 550 | 22" | 749.0 | 692.2 | 31.75 | 20 | 46 | 610 | 108 | 565.2 | 13 |
| 600 | 24" | 813.0 | 749.3 | 34.93 | 20 | 47.8 | 663 | 111 | 616 | 13 |
| DIMENSION OF CLASS 300 FLANGE AS PER ASME B16.5 - Ed 2020 | ||||||||||
| Nominal pipe Size | Flange dia | PCD | Dia of bolt holes | No of holes | Dia of hub | Corner radius for Lapped Flange | ||||
| MM | INCH | O | P | Hd | Hn | T Lapped Flange | X | L/J Y |
L/J S |
r |
| 15 | 1/2" | 95 | 66.5 | 15.88 | 4 | 14.2 | 38 | 22 | 22.9 | 3 |
| 20 | 3/4" | 117 | 82.6 | 19.1 | 4 | 15.7 | 48 | 25 | 28.2 | 3 |
| 25 | 1" | 124 | 88.9 | 19.1 | 4 | 17.5 | 54 | 27 | 35.1 | 3 |
| 32 | 1 1/4" | 133 | 98.6 | 19.1 | 4 | 19 | 64 | 27 | 43.7 | 5 |
| 40 | 1 1/2" | 155 | 114.3 | 22.2 | 4 | 20.6 | 70 | 30 | 50 | 6 |
| 50 | 2" | 165 | 127 | 19.1 | 8 | 22.4 | 84 | 33 | 62.5 | 8 |
| 65 | 2 1/2" | 190 | 149.4 | 22.2 | 8 | 25.4 | 100 | 38 | 75.4 | 8 |
| 80 | 3" | 210 | 168.1 | 22.2 | 8 | 28.4 | 117 | 43 | 91.4 | 10 |
| 90 | 3 1/2" | 229 | 184.2 | 22.2 | 8 | 30.2 | 133 | 44 | 104.1 | 10 |
| 100 | 4" | 254 | 200.2 | 22.2 | 8 | 31.8 | 146 | 48 | 116.8 | 11 |
| 125 | 5" | 279 | 235.0 | 22.2 | 8 | 35.1 | 178 | 51 | 144.5 | 11 |
| 150 | 6" | 318 | 269.7 | 22.2 | 12 | 36.6 | 206 | 52 | 171.4 | 13 |
| 200 | 8" | 381 | 330.2 | 25.4 | 12 | 41.1 | 260 | 62 | 222.2 | 13 |
| 250 | 10" | 444 | 387.4 | 28.6 | 16 | 47.8 | 321 | 95 | 277.4 | 13 |
| 300 | 12" | 521 | 450.8 | 31.8 | 16 | 50.8 | 375 | 102 | 328.2 | 13 |
| 350 | 14" | 584 | 514.4 | 31.8 | 20 | 53.8 | 425 | 111 | 360.2 | 13 |
| 400 | 16" | 648 | 571.5 | 34.9 | 20 | 57.2 | 483 | 121 | 411.2 | 13 |
| 450 | 18" | 711 | 628.6 | 34.9 | 24 | 60.5 | 533 | 130 | 462.3 | 13 |
| 500 | 20" | 775 | 685.8 | 34.9 | 24 | 63.5 | 587 | 140 | 514.4 | 13 |
| 550 | 22" | 838 | 743.0 | 41.3 | 24 | 66.5 | 641 | 145 | 565.2 | 13 |
| 600 | 24" | 914 | 812.8 | 41.3 | 24 | 68.8 | 702 | 152 | 616 | 13 |
| DIMENSION OF CLASS 400 FLANGE AS PER ASME B16.5 - Ed 2020 | ||||||||||
| Nominal pipe Size | Flange dia | PCD | Dia of bolt holes | No of holes | Dia of hub | Corner radius for Lapped Flange | ||||
| MM | INCH | O | P | Hd | Hn | T Lapped Flange | X | L/J Y |
L/J S |
r |
| 15 | 1/2" | 95 | 66.5 | 15.88 | 4 | 14.2 | 38 | 22 | 22.9 | 3 |
| 20 | 3/4" | 117 | 82.6 | 19.05 | 4 | 15.7 | 48 | 25 | 28.2 | 3 |
| 25 | 1" | 124 | 88.9 | 19.05 | 4 | 17.5 | 54 | 27 | 35.1 | 3 |
| 32 | 1 1/4" | 133 | 98.6 | 19.05 | 4 | 20.6 | 64 | 28 | 43.7 | 5 |
| 40 | 1 1/2" | 155 | 114.3 | 22.22 | 4 | 22.4 | 70 | 32 | 50.8 | 6 |
| 50 | 2" | 165 | 127 | 19.05 | 8 | 25.4 | 84 | 37 | 62.5 | 8 |
| 65 | 2 1/2" | 190 | 149.4 | 22.22 | 8 | 28.4 | 117 | 41 | 75.4 | 8 |
| 80 | 3" | 210 | 168.1 | 22.22 | 8 | 31.8 | 133 | 46 | 914 | 10 |
| 90 | 3 1/2" | 229 | 184.2 | 25.4 | 8 | 35.1 | 152 | 49 | 104.1 | 10 |
| 100 | 4" | 254 | 200.2 | 25.4 | 8 | 35.1 | 146 | 51 | 116.8 | 11 |
| 125 | 5" | 279 | 235 | 28.58 | 8 | 38.1 | 178 | 54 | 144.4 | 11 |
| 150 | 6" | 318 | 269.7 | 28.58 | 12 | 41.1 | 206 | 57 | 171.4 | 13 |
| 200 | 8" | 381 | 330.2 | 31.75 | 12 | 47.8 | 260 | 68 | 222.2 | 13 |
| 250 | 10" | 444 | 387.4 | 34.93 | 16 | 53.8 | 321 | 102 | 277.4 | 13 |
| 300 | 12" | 521 | 450.8 | 34.93 | 20 | 57.2 | 375 | 108 | 328.2 | 13 |
| 350 | 14" | 584 | 514.4 | 38.1 | 20 | 60.5 | 425 | 117 | 360.2 | 13 |
| 400 | 16" | 648 | 571..5 | 41.27 | 20 | 63.5 | 483 | 127 | 411.2 | 13 |
| 450 | 18" | 711 | 628.6 | 44.5 | 20 | 66.5 | 533 | 137 | 462.3 | 13 |
| 500 | 20" | 775 | 685.8 | 44.5 | 24 | 69.8 | 587 | 146 | 514.4 | 13 |
| 550 | 22" | 838 | 743 | 47.6 | 24 | 73.2 | 641 | 152 | 565.2 | 13 |
| 600 | 24" | 914 | 812.8 | 50.8 | 24 | 76.2 | 702 | 159 | 616 | 13 |
| DIMENSION OF CLASS 600 FLANGE AS PER ASME B16.5 - Ed 2020 | ||||||||||
| Nominal pipe Size | Flange dia | PCD | Dia of bolt holes | No of holes | Dia of hub | Corner radius for Lapped Flange | ||||
| MM | INCH | O | P | Hd | Hn | T Lapped Flange | X | L/J Y |
L/J S |
r |
| 15 | 1/2" | 95 | 66.5 | 15.88 | 4 | 14.2 | 38 | 22 | 22.9 | 3 |
| 20 | 3/4" | 117 | 82.6 | 19.1 | 4 | 15.7 | 48 | 25 | 28.2 | 3 |
| 25 | 1" | 124 | 88.9 | 19.1 | 4 | 17.5 | 54 | 27 | 34.9 | 3 |
| 32 | 1 1/4" | 133 | 98.6 | 19.1 | 4 | 20.6 | 64 | 29 | 43.7 | 5 |
| 40 | 1 1/2" | 155 | 114.3 | 22.2 | 4 | 22.4 | 70 | 32 | 50 | 6 |
| 50 | 2" | 165 | 127 | 19.1 | 8 | 25.4 | 84 | 37 | 62.5 | 8 |
| 65 | 2 1/2" | 190 | 149.4 | 22.2 | 8 | 28.4 | 100 | 41 | 75.4 | 8 |
| 80 | 3" | 210 | 168.1 | 22.2 | 8 | 31.8 | 117 | 46 | 91.4 | 10 |
| 90 | 3 1/2" | 229 | 184.2 | 25.4 | 8 | 35.1 | 133 | 49 | 104.1 | 10 |
| 100 | 4" | 273 | 215.9 | 25.4 | 8 | 38.1 | 152 | 54 | 116.8 | 11 |
| 125 | 5" | 330 | 266.7 | 28.6 | 8 | 44.4 | 189 | 60 | 144.4 | 11 |
| 150 | 6" | 356 | 292.1 | 28.6 | 12 | 47.8 | 222 | 67 | 171.4 | 13 |
| 200 | 8" | 419 | 349.2 | 31.8 | 12 | 55.6 | 273 | 76 | 222.2 | 13 |
| 250 | 10" | 508 | 431.8 | 34.9 | 16 | 63.5 | 343 | 111 | 277.4 | 13 |
| 300 | 12" | 559 | 489 | 34.9 | 20 | 66.5 | 400 | 117 | 328.2 | 13 |
| 350 | 14" | 603 | 527 | 38.1 | 20 | 69.8 | 432 | 127 | 360.2 | 13 |
| 400 | 16" | 686 | 603.2 | 41.3 | 20 | 76.2 | 495 | 140 | 411.2 | 13 |
| 450 | 18" | 743 | 654 | 44.5 | 20 | 82.6 | 546 | 152 | 462.3 | 13 |
| 500 | 20" | 813 | 723.9 | 44.5 | 24 | 88.9 | 610 | 165 | 514.4 | 13 |
| 550 | 22" | 870 | 777.7 | 47.8 | 24 | 95.2 | 663 | 175 | 565.2 | 13 |
| 600 | 24" | 940 | 838.2 | 50.8 | 24 | 101.6 | 718 | 184 | 616 | 13 |
| DIMENSION OF CLASS 900 FLANGE AS PER ASME B16.5 - Ed 2020 | ||||||||||
| Nominal pipe Size | Flange dia | PCD | Dia of bolt holes | No of holes | Thk of flange | Dia of hub | Corner radius for Lapped Flange | |||
| MM | INCH | O | P | Hd | Hn | T | X | L/J Y |
L/J S |
r |
| 15 | 1/2" | 121 | 82.6 | 22.22 | 4 | 22.4 | 38 | 32 | 22.9 | 3 |
| 20 | 3/4" | 130 | 88.9 | 22.22 | 4 | 25.4 | 44 | 35 | 28.2 | 3 |
| 25 | 1" | 149 | 101.6 | 25.4 | 4 | 28.4 | 52 | 41 | 35.4 | 3 |
| 32 | 1 1/4" | 159 | 111.1 | 25.4 | 4 | 28.4 | 64 | 41 | 43.7 | 5 |
| 40 | 1 1/2" | 178 | 124 | 28.57 | 4 | 31.8 | 70 | 44 | 50 | 6 |
| 50 | 2" | 216 | 165.1 | 25.4 | 8 | 38.1 | 105 | 57 | 62.5 | 8 |
| 65 | 2 1/2" | 244 | 190.5 | 28.57 | 8 | 41.1 | 124 | 64 | 75.4 | 8 |
| 80 | 3" | 241 | 190.5 | 25.4 | 8 | 38.1 | 127 | 54 | 91.4 | 10 |
| 100 | 4" | 292 | 235 | 31.75 | 8 | 44.5 | 159 | 70 | 116.8 | 11 |
| 125 | 5" | 349 | 279.4 | 34.92 | 8 | 50.8 | 190 | 79 | 144.5 | 11 |
| 150 | 6" | 381 | 317.5 | 31.75 | 12 | 55.6 | 235 | 86 | 171.5 | 13 |
| 200 | 8" | 470 | 393.7 | 38.1 | 12 | 63.5 | 298 | 114 | 222.2 | 13 |
| 250 | 10" | 546 | 469.9 | 38.1 | 16 | 69.8 | 368 | 127 | 277.4 | 13 |
| 300 | 12" | 610 | 533.4 | 38.1 | 20 | 79.2 | 419 | 143 | 328.2 | 13 |
| 350 | 14" | 641 | 558.8 | 41.27 | 20 | 85.9 | 451 | 155 | 360.2 | 13 |
| 400 | 16" | 705 | 616 | 44.5 | 20 | 88.9 | 508 | 165 | 411.2 | 13 |
| 450 | 18" | 787 | 685.8 | 50.8 | 20 | 101.6 | 565 | 190 | 462.3 | 13 |
| 500 | 20" | 857 | 749.3 | 53.98 | 20 | 108 | 622 | 210 | 514.4 | 13 |
| 600 | 24" | 1041 | 901.7 | 66.67 | 20 | 139.7 | 749 | 267 | 616 | 13 |
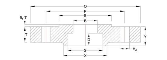
| DIMENSION OF CLASS 1500 FLANGE AS PER ASME B16.5 - Ed 2020 | ||||||||||
| Nominal pipe Size | Flange dia | PCD | Dia of bolt holes | No of holes | Thk of flange | Dia of hub | Corner radius for Lapped Flange | |||
| MM | INCH | O | P | Hd | Hn | T | X | L/J Y |
L/J S |
r |
| 15 | 1/2" | 121 | 82.6 | 22.22 | 4 | 22.4 | 38 | 32 | 22.9 | 3 |
| 20 | 3/4" | 130 | 88.9 | 22.22 | 4 | 25.4 | 44 | 35 | 28.2 | 3 |
| 25 | 1" | 149 | 101.6 | 25.4 | 4 | 28.4 | 52 | 41 | 35.4 | 3 |
| 32 | 1 1/4" | 159 | 111.1 | 25.4 | 4 | 28.4 | 64 | 41 | 43.7 | 5 |
| 40 | 1 1/2" | 178 | 124 | 28.57 | 4 | 31.8 | 70 | 44 | 50 | 6 |
| 50 | 2" | 216 | 165.1 | 25.4 | 8 | 38.1 | 105 | 57 | 62.5 | 8 |
| 65 | 2 1/2" | 244 | 190.5 | 28.57 | 8 | 41.1 | 124 | 64 | 75.4 | 8 |
| 80 | 3" | 267 | 203.2 | 32 | 8 | 47.8 | 133 | 73 | 91.4 | 10 |
| 100 | 4" | 311 | 241.3 | 35 | 8 | 53.9 | 162 | 90 | 116.8 | 11 |
| 125 | 5" | 375 | 292.1 | 41 | 8 | 73.2 | 197 | 105 | 144.5 | 11 |
| 150 | 6" | 394 | 317.5 | 38 | 12 | 82.6 | 229 | 119 | 171.5 | 13 |
| 200 | 8" | 483 | 393.7 | 45 | 12 | 92 | 292 | 143 | 222.2 | 13 |
| 250 | 10" | 584 | 482.6 | 51 | 12 | 108 | 368 | 178 | 277.4 | 13 |
| 300 | 12" | 673 | 571.5 | 54 | 16 | 124 | 451 | 219 | 328.2 | 13 |
| 350 | 14" | 749 | 635 | 60 | 16 | 134 | 495 | 241 | 360.2 | 13 |
| 400 | 16" | 826 | 704.8 | 67 | 16 | 147 | 552 | 260 | 411.2 | 13 |
| 450 | 18" | 914 | 774.7 | 73 | 16 | 163 | 597 | 276 | 462.3 | 13 |
| 500 | 20" | 984 | 831.8 | 79 | 16 | 178 | 641 | 292 | 514.4 | 13 |
| 600 | 24" | 1168 | 990.6 | 92 | 16 | 204 | 762 | 330 | 616 | 13 |
![]() |
||||||||||
| DIMENSION OF CLASS 2500 FLANGE AS PER ASME B16.5 - Ed 2020 | ||||||||||
| Nominal pipe Size | Flange dia | PCD | Dia of bolt holes | No of holes | Thk of flange | Dia of hub | Corner radius for Lapped Flange | |||
| MM | INCH | O | P | Hd | Hn | T | X | L/J Y |
L/J S |
r |
| 15 | 1/2" | 133 | 88.9 | 22.22 | 4 | 30.2 | 43 | 40 | 22.9 | 3 |
| 20 | 3/4" | 140 | 95.2 | 22.22 | 4 | 31.8 | 51 | 43 | 28.2 | 3 |
| 25 | 1" | 159 | 108 | 25.4 | 4 | 35.1 | 57 | 48 | 35.4 | 3 |
| 32 | 1 1/4" | 184 | 130 | 29 | 4 | 38.1 | 73 | 52 | 43.7 | 5 |
| 40 | 1 1/2" | 203 | 146 | 32 | 4 | 44.4 | 79 | 60 | 50 | 6 |
| 50 | 2" | 235 | 171.4 | 29 | 8 | 50.8 | 95 | 70 | 62.5 | 8 |
| 65 | 2 1/2" | 267 | 196.8 | 32 | 8 | 57.2 | 114 | 79 | 75.4 | 8 |
| 80 | 3" | 305 | 228.6 | 35 | 8 | 66.5 | 133 | 92 | 91.4 | 10 |
| 100 | 4" | 356 | 273 | 41 | 8 | 76.2 | 165 | 108 | 116.8 | 11 |
| 125 | 5" | 419 | 323.8 | 48 | 8 | 91.9 | 203 | 130 | 144.5 | 11 |
| 150 | 6" | 483 | 368.3 | 54 | 8 | 108 | 235 | 152 | 171.5 | 13 |
| 200 | 8" | 552 | 438.2 | 54 | 12 | 127 | 305 | 178 | 222.2 | 13 |
| 250 | 10" | 673 | 539.8 | 67 | 12 | 165.1 | 375 | 229 | 277.4 | 13 |
| 300 | 12" | 762 | 619.3 | 73 | 12 | 184.2 | 441 | 254 | 328.2 | 13 |
| Material | Grades |
|---|---|
| Stainless Steel | ASTM A182 F Gr.304, 304L, 304H, 309, 310, 316, 316L, 316Ti, 317L, 321, 347, 347H, 904L |
| Duplex Steel | ASTM A182, ASME SA 182 UNS S31803, UNS S32205 (Dual Certified). |
| Super Duplex Steel | ASTM A182, ASME SA 182, UNS S32750, UNS S32760, UNS S32790 |
| High Nickel Alloy | ASTM SB564, SB160, SB472, SB162 Nickel 200 (UNS No. N02200), Nickel 201 (UNS No. N02201), Monel 400 (UNS No. N04400), Monel 500 (UNS No. N05500), Inconel 800 (UNS No. N08800), Inconel 825 (UNS No. N08825), Inconel 600 (UNS No. N06600), Inconel 625 (UNS No. N06625), Inconel 601 (UNS No. N06601), Hastelloy C 276 (UNS No. N10276), Alloy 20 (UNS No. N08020) |